COMPONENTES DE SOBRE ALIMENTACIÓN:
— TURBOCOMPRESORES GARRETT – PARA RENAULT:
USO ROAD (Calle) O RACING (Competición)
NOTA INFORMATIVA:
*** DEBIDO A LA POCA DISPONIBILIDAD DE MATERIAL ORIGINAL DE FÁBRICA GARRETT PARA PODER OFRECER LA CALIDAD ADECUADA EN EL PRODUCTO:
- ACTUALMENTE NO COMERCIALIZAMOS NINGÚN MODELO DE TURBOCOMPRESORES NUEVOS PARA RENAULT SUPERCINCO GT TURBO y RENAULT 11 TURBO.
Materiales de dudosa procedencia y con poca garantía de calidad no comercializamos, debido a nuestro criterio sobre ética profesional, avalada por nuestra dilatada experiencia durante 40 años de dedicación a estos modelos de vehículos Renault.
*** BAJO ENCARGO PODEMOS ENVIAR A NUESTRO PROVEEDOR FRANCÉS EL TURBOCOMPRESOR DEL CLIENTE PARA REALIZAR LA RECONSTRUCCIÓN DEL MISMO – EL PRESUPESTO DE ESA OPERACIÓN SE DETERMINARÁ UNA VEZ ANALIZADO LA UNIDAD RECIBIDA.
*** INFORMACIÓN TÉCNICA SOBRE TURBOCOMPRESOR GARRETT DE SUPERCINCO GT TURBO Y RENAULT 11 TURBO: VER INFO Técnica
OTROS COMPONENTES COMPLEMENTARIOS
JUNTAS MONTAJE DE TURBOCOMPRESOR:
**Referencia: CPR-16811
Junta de unión del turbocompresor con el colector de escape en acero inox..
Modelo: Renault 5 Gt Turbo – 11 Turbo. Motor C1J
**Referencia: CPR-16812
Junta inox de sellado de unión de la carcasa de escape del turbocompresor con el codo de conexión de escape.
Modelo: Renault 5 Gt Turbo – 11 Turbo. Motor C1J
TORNILLERÍA MONTAJE DE TURBOCOMPRESOR:
**Referencia: CP-0119-1
Set de sujeción de turbo a colector, espárragos cobalto, tuercas, tornillos.
Modelo: Renault 5 Gt Turbo – 11 Turbo. Motor C1J

SET-JUEGO DE TUERCAS COBRIZADAS PARA SUJECIÓN Y ARMADO TURBOCOMPRESOR

**Referencia: CP-0183
Set de sujeción de turbo a colector y cuerpo turbo a carcasa – juego tuercas acero cobrizado con bloqueo.
Modelo: Renault 5 Gt Turbo – 11 Turbo. Motor C1J
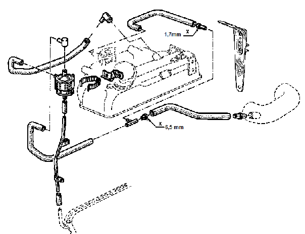
MANGUITOS – TUBERIAS – CANALIZACIONES DE VENTILACIÓN INTERNA GASES DE MOTOR:
**Referencia: CPREV-4423
Descripción: Set de 4 manguitos de conexiones de sistema de ventilación interna del motor, conectan la botella decantadora de aceite, con tapa de balancines del motor, colector de admisión y tubo de admisión de turbo a filtro de aire. Válido para todos los vehículos Fase 1 & 2 — MATERIAL DE FABRICACIÓN EN SILICONA – 1ª calidad de fabricación en CEE.
Aplicaciones: Renault 5 Gt Turbo
(Solo se comercializa el set completo – sin despiece de unidades de manguitos)


CANALIZACIONES DESAGUE EVACUADO DE ACEITE DE TURBO:
**Referencia: CPR-522-1 EPDM (tubo de boca de turbo a tubo metal de cambio)
**Referencia: CPR-522-2 EPDM (tubo de tubo metal de cambio a boca del cárter)
Descripción: Manguito de conexión de tubo de desagüe de aceite de turbo a cárter. (modelo superior y modelo inferior) Válido SOLAMENTE para los vehículos Fase 2 que montan tubería de 21 mm Ø.
Material caucho fluorado – EPDM — 1ª calidad de fabricación en CEE.
Aplicaciones: Renault 5 Gt Turbo – 11 Turbo. Motor C1J
CANALIZACIONES DESAGUE EVACUADO DE ACEITE DE TURBO:
**Referencia: CPR-622-1 MVQ 21 mm Ø (manguito de boca de turbo a tubo metal de cambio)
**Referencia: CPR-622-2 MVQ 21 mm Ø (manguito de tubo metal de cambio a boca del cárter)
Descripción: Manguitos de conexión de tubo de desagüe de aceite de turbo a cárter. (modelo superior y modelo inferior) Válido para los vehículos Fase 2 que montan tubería de 21 mm Ø.
Material MVQ (Silicona especial) — 1ª calidad de fabricación en CEE.
Aplicaciones: Renault 5 Gt Turbo – 11 Turbo. Motor C1J
CANALIZACIONES DESAGUE EVACUADO DE ACEITE DE TURBO:
* Referencia: CPRS-528B MVQ – 16 mm Ø (manguito de tubo metal de cambio a boca del cárter) (Azul)
* Referencia: CPRS-528N MVQ – 16 mm Ø (manguito de tubo metal de cambio a boca del cárter) (Negro)
Manguito de conexión de tubo de desagüe de aceite de turbo a cárter. (modelo inferior de conexión de tubo de metal unido a la caja de cambios al cárter del motor) Válido para los vehículos Fase 1 que montan tubería de 16 mm Ø. Material MVQ (silicona especial) — 1ª calidad de fabricación en CEE.
Modelo: Renault 5 Gt Turbo – 11 Turbo. Motor C1J
![]()
VÁLVULAS BLOW OFF – ALIVIO DE PRESIÓN:
**Referencia: CPRS-00177-CH
Válvula de alivio de presión, disminución de LAG. Tipo de pistón. 1ª calidad de fabricación CEE
Modelo: Genérico – válido para cualquier vehículo turbo alimentado de gasolina.

** PRODUCTO SIN STOCK – SOLO BAJO PEDIDO DE CLIENTE** (plazo entrega actual 3 semanas)
REGULADORES MANUALES DE PRESIÓN DE SOPLADO DE TURBOCOMPRESOR
Reguladores de presión de soplado tipo multi vuelta – sistema tipo fuga, realizado en aluminio pulido (varias versiones). 1ª calidad de fabricación en CEE y AUSTRALIA ( según modelos).
Modelo: Genérico – válido para cualquier vehículo turbo alimentado de gasolina.
**Referencia: CPRS-00179-CH

**Referencia: CPRS-00180
** PRODUCTO SIN STOCK – SOLO BAJO PEDIDO DE CLIENTE** (plazo entrega actual 3 semanas)
REGULADOR ELÉCTRICO CONMUTADO DE PRESIÓN DE SOPLADO DE TURBOCOMPRESOR
KIT de Regulador de presión de soplado tipo eléctrico conmutado, dos niveles de potencia ajustables independientemente. Se puede ajustar sobre la marcha cada nivel de potencia disponible. 1ª calidad de fabricación AUSTRALIA
Modelo: Genérico – válido para cualquier vehículo turbo alimentado de gasolina.
**Referencia: CPRS-00181-EL —– Instrucciones Regulador presión eléctrico

** PRODUCTO SIN STOCK – SOLO BAJO PEDIDO DE CLIENTE** (plazo entrega actual 3 semanas)
MANOMETROS DE INDICACIÓN DE PRESIÓN DE CARGA DE TURBO:
**Referencia: CPRS-00190
Descripción: Manómetro de medición de presión de soplado y vacío de motor. 52 Ø mm. 1ª calidad de fabricación.
Modelo: Genérico – válido para múltiples modelos de vehículo.

**Referencia: CPRS-00191
Descripción: Soporte tipo capilla para relojes varios 52 mm – orientable. 1ª calidad de fabricación.
Modelo: Genérico – válido para múltiples modelos de vehículo.

=======================================
** CONSÚLTENOS SOBRE CUALQUIER ACCESORIO O RECAMBIO RELACIONADO.
©-Mta Motorsport – ® -1990-2026













Debe estar conectado para enviar un comentario.